
-
专利
-
商标
-
版权
-
商业秘密
-
反不正当竞争
-
植物新品种
-
地理标志
-
集成电路布图设计
-
技术合同
-
传统文化
律师动态
更多 >>知产速递
更多 >>审判动态
更多 >>案例聚焦
更多 >>法官视点
更多 >>裁判文书
更多 >>作者 | 张瀛 国家知识产权局专利局专利审查协作江苏中心光电部计量室审查员
随着国家建设知识产权强国计划的逐步推进,知识产权作为国家发展的战略性资源和国际竞争力的核心要素,正发挥越来越重要的作用。从专利技术的创新研发、申请、审查到后续的维护维权,每一过程都离不开专利检索这一重要环节。本文从典型案例的角度出发,总结相关案件的检索特点,以期有助于提高专利代理机构、专利申请企业以及专利审查员对现有技术的检索效率,从而提升专利质量。
?
结合案件特点正确选择专利数据库
正确选择合适的专利数据库进行检索,是专利代理机构、专利申请企业以及专利审查员进行高效检索的前提。数据库的选择可以从以下两个方面进行思考:首先,应分析本申请所属领域在不同国家的发展情况,例如日本是超声传感器领域、显示领域技术领先的国家,在检索该领域的申请时就应当首先考虑日本专利数据库;其次,如果申请人是国际大公司,在现有技术检索时应选择申请人所在国的专利数据库和其主要行业竞争对手所在国家的专利数据库。
案例一 新型耐疲劳超声波传感器(CN201210544439.1)
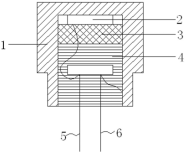
权利要求1为:“一种新型耐疲劳超声波传感器,包括设置有腔室的外壳,其特征在于:所述外壳的腔室内固定有压电陶瓷片;所述压电陶瓷片包括中间陶瓷片以及设置在陶瓷片上下两侧的上电极和下电极,所述上电极与外壳相接触;所述上电极为硬质颗粒金属粉与银浆的混合层;所述下电极与消音棉相接触,所述腔室内设置有两个引线端子,其中之一与下电极电连接,另一个与外壳电连接?!?/p>
权利要求1中对传感器的结构设置进行了详细的限定,如下图1:
?
图1 本申请附图
?
本申请给出的主分类号为G01D5/48---采用波或粒子辐射装置。审查员尝试寻找是否有更准确的分类号,在查找分类号时没有采用常规的检索系统的统计或是查表,而是通过patentics语义检索结果相关度高的文献中查看分类号,确定分类为:H04R17/00 压电传感器;电致伸缩传感器。审查员认为,H04R17/00比本申请中给出的分类号更为准确。
根据以往的经验和对背景技术的了解,日本在超声波传感器领域比较有优势,在检索时首选JPABS中进行检索,检索过程如下:
3 JPABS 6384 h04r17/00/ic
4 JPABS 60900 超音波
5 JPABS 3608 4 and 3
9 JPABS 384456 電極
10 JPABS 719 5 and 9
11 JPABS 59646 圧電
12 JPABS 510723 (送 or 受) 2w 信
13 JPABS 337689 センサ
14 JPABS 98 10 and 11 and 12
15 JPABS 33 10 and 11 and 13
浏览检索式14和15下的文献,发现多篇疑似对比文件(文献1:JP2012160825A;文献2:JP2012034016A)
图2 文献1的附图
?
图3 文献2的附图
?
将以上两篇列为备选文献,通过全文阅读后确定JP2012034016A这篇文献公开权利要求1中包含除了“所述上电极为硬质颗粒金属粉与银浆的混合层”以外的所有技术特征,因此选择其为对比文件1。
技术标准——不容忽视的角落
专利代理机构、专利申请企业以及专利审查员除了要在专利文献中进行检索外,通?;够岫匝宦畚摹⑵诳畚?、会议论文、网站等非专利文献进行检索。但是在很多情况下,申请人往往会遗忘另一类非专利文献——技术标准。需要重点针对标准进行检索的申请具备以下几个特点:一是涉及某种特定元件、装置、仪器的校准或操作方法;二是技术方案类似与说明书或操作规程;三是专利申请的背景技术或具体实施方式中提及参考了某些行业标准。
案例二 面筋测定仪计量校准方法案件(CN201110424899.6)
权利要求1为:“一种面筋测定仪计量校准方法,其特征在于:首先将被校准的面筋测定仪置于室温在10-30℃的环境中,校准过程中温度变化不超过5℃,室温湿度控制在20%~85%RH 范围内,周围无磁场或机械振动;然后按照下述步骤进行:第一步、搅拌器转速的校准开启电源开关……;第五步、测量重复性的校准?!?/p>
在专利数据库中检索到涉及面筋仪的文献量极少,而检索结果中文献大多涉及面筋测定仪的装置结构。我们进而转入技术标准检索,检索到可用的对比文件:
?
图4 万方标准库检索面筋仪
?
图5 Patentics改写提炼发明点后检索结果
?
从万方标准数据库的检索过程可以发现,检索结果文献量并不是很大,结果列表中的第一篇文献即为对比文件1:“小麦和小麦粉 面筋含量第2部分:仪器法测定湿面筋”,中华人民共和国国家质量监督检验检疫总局,第1-9页,中国标准出版社,2009年1月。
?
改写提炼发明点 让Patentics更“智能”
Patentics智能语义检索已经成为专利检索的重要工具。在具体检索过程中,检索者往往只是简单地用“r/或者rdi+公开号”的模式进行检索,检索结果往往不能令人满意,有时给出的文献甚至与本申请风马牛不相及。笔者发现,将改写提炼过的发明点作为检索要素,Patentics将变得更为“智能”。Patentics语义检索模式会根据检索要素进行自动扩展,运用经过发明点提炼和改写的检索要素,其扩展将更具有针对性,能够根据审查员的“心意”进行检索。笔者认为,改写提炼发明点的思路如下:从实现本发明的关键手段、重要步骤或者取得的技术效果的角度出发,去除冗余和重复的限定,用一句话或者简短的一段话来归纳概括发明点。
案例三 压电式超声波传感器单元及其应用(CN201610131807.8)
“1.压电式超声波传感器单元,其特征在于,包括压电陶瓷片、正极信号线、负极信号线、橡胶圈、消音海绵和外壳,所述的正极信号线与压电陶瓷片的正极区固定连接,所述的负极信号线与压电陶瓷片的侧面连接部固定连接,所述的压电陶瓷片周围设置一橡胶圈,并由外壳固定,所述的正极信号线与压电陶瓷片的下表面焊接连接,所述的负极信号线与压电陶瓷片的侧面连接部焊接连接,所述的压电陶瓷片的下表面设置一消音海绵与橡胶圈配合连接,所述的外壳从压电陶瓷片的下表面一侧将压电陶瓷片半包围起来。
2.根据权利要求1所述的压电式超声波传感器单元,其特征在于,所述的外壳为塑料外壳。
3.一种如权利要求1-2所述的压电式超声波传感器单元的应用,其特征在于,将压电式超声波传感器单元的压电陶瓷片的上表面贴合至智能家电的预安装感应区的面板上即得压电式超声波传感器。本申请的发明点在于电陶瓷片的上表面与智能家电的预安装感应区的面板贴合?!?/p>
在Patentics中用申请号“R/2016101318078”进行检索,没有检索到能够用于评述该申请三性的对比文件。随后,调整检索策略,将改写提炼后的发明点“压电陶瓷直接设置在面板下面”作为检索要素进行语义检索,得到对比文件(CN203522700)的检索过程如下:
从对比文件(CN203522700)的附图中可以清楚地看到,压电陶瓷是直接设置在面板下方的。
?
结语
在专利审查提质增效的背景下,充分发散检索思维和拓展检索途径,对专利代理机构、专利申请企业以及专利审查员来说均是提升检索能力的一个重要方向。笔者希望通过以上典型案例的分享,为专利代理机构、专利申请企业以及专利审查员今后的专利检索提供一定的借鉴。
评论